專業停車設備

驊達的用心‧讓您最放心

品質保證 服務第一 專業態度

產品介紹

- 機械停車 -


本公司各項機械停車設備規格介紹。

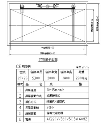
汽車升降機

汽車升降機

HD-CE(CNS-13350-7)


取代車道路徑,節省停車位之浪費。

1. 取代坡道汽車升降機直上直下動作。

2. 增加地下室車位設置。

3. 採微電腦自動控制感應敏捷,且維修保養容易。

4. 具有低速啟動,高速運轉,低速停止等圓滑動作,使車廂上昇或下降時平穩無聲,使停車成為一種享受。

back to top